نظام تحويل الطاقة PCS مع محول عزل بقدرات 30 كيلوواط، 50 كيلوواط، 100 كيلوواط، 250 كيلوواط، 500 كيلوواط
تم تطوير محول تخزين الطاقة المعزول هذا بناءً على متطلبات التطبيق للمنشآت التجارية والصناعية الكبيرة مثل تحويل ذروة الحمل، ونسخ البطارية الاحتياطية، وما إلى ذلك. وهو يدعم وظيفة التوازي متعددة الآلات، ويمكنه تلبية متطلبات الطاقة من 30 كيلو وات إلى 3 ميجا وات.
رقم الصنف :
30KW/50KW/100KW/150KW/250KW/500KWنوع البطارية :
Lithium Battery/Lead Acid Batteryماركة :
OEM/Sail Solarالجهد الاسمي :
400V/ Customized US Voltageنوع التبريد :
Forced Airاتصال الشبكة :
3W+N+PEفئة الحماية :
IP21شهادة :
EN 62109-1/-2, EN 62477-1, EN 61000-6-2/-6-4, NRS 097-2-1:2024, ASGCتواصل :
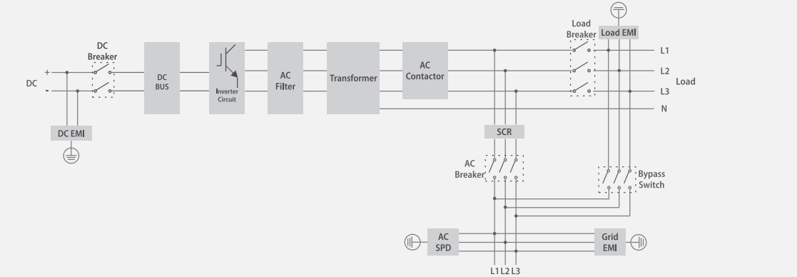
RS485/CANهذا العاكس PCS (نظام تحويل الطاقة) هو عاكس لتخزين الطاقة يدمج وحدة تحكم كهروضوئية، ومحول تخزين الطاقة، ومحول عزل، ووحدة تبديل تلقائي متصلة بالشبكة/غير متصلة بالشبكة، وهو خيار جيد لاستخدام أنظمة الطاقة الشمسية ذات السعة الكبيرة.

تحديد
| قوة | 30 كيلوواط | 50 كيلوواط | 100 كيلوواط | 150 كيلوواط | 250 كيلوواط | 500 كيلوواط |
| التيار المتردد (متصل بالشبكة) | ||||||
| أقصى قدرة خرج (كيلوواط) | 33 | 55 | 110 | 165 | 275 | 550 |
| القدرة الإنتاجية المقدرة (كيلوواط) | 30 | 50 | 100 | 150 | 250 | 500 |
| الجهد المقنن (فولت) | 400 | |||||
| التيار المقنن (أمبير) | 320-460 | |||||
| التردد المقنن (هرتز) | 50/60 | |||||
| THDI | <3% | |||||
| معامل القدرة | 1 متقدم - 1 متأخر (قابل للتسوية) | |||||
| نوع الشبكة | 3W+N+PE | |||||
| التيار المتردد (خارج الشبكة) | ||||||
| الجهد المقنن (فولت) | 400 | |||||
| THdu | ≤1% خطي؛ أو ≤5% غير خطي | |||||
| التردد المقنن (هرتز) | 50/60 | |||||
| قدرة التحميل الزائد | 110% على المدى الطويل، 120% دقيقة واحدة | |||||
| بطارية | ||||||
| نطاق جهد البطارية (فولت) | 250-850 | 320~850 | 420~850 | 420~850 | 420~850 | 500~850 |
| أقصى تيار (أمبير) | 137 | 178 | 270 | 405 | 673 | 1128 |
| البيانات العامة | ||||||
| درجة حرارة التشغيل | -30 ~ 55 | |||||
| الحماية من دخول الأجسام الغريبة | IP21 | |||||
| تبريد | الهواء القسري | |||||
| اتصالات نظام إدارة المباني | RS485/CAN | |||||
| الاتصالات في خدمات الطوارئ الطبية | RS485، TCP/IP | |||||
| الشهادات | إن 62109-1/-2، إن 62477-1، إن 61000-6-2/-6-4، إن آر إس 097-2-1:2024، ASGC | |||||
وصف المنتج

تم تصميم المنطق التشغيلي داخل عاكس PCS المزود بمحول عزل لتحقيق أقصى قدر من الكفاءة والتحكم.
استقرار الشبكة المضمونيضمن المنطق إخراج موجة جيبية نقية مع<نسبة التشوه التوافقي الكلي 3% ونطاق جهد واسع (320-460 فولت)، مما يحمي معداتك الحساسة.
طاقة متواصلة: يسهل نظام التحكم الانتقال التلقائي والسلس بين التشغيل المتصل بالشبكة والتشغيل المنفصل عن الشبكة لضمان وقت التشغيل بنسبة 100٪.
التوافق العالمي: يدير المنطق نطاقًا واسعًا من جهد بطارية التيار المستمر (من 250 فولت إلى 850 فولت)، ويدعم أنواعًا مختلفة من كيمياء البطاريات (LiFePO4، وبطاريات الرصاص الحمضية، وما إلى ذلك).

نقاط القوة الرئيسية
محول عزل مدمج، يتكيف مع أحمال الصدمات.
تتوفر أوضاع تشغيل متعددة، يمكن تطبيقها بمرونة على سيناريوهات عمل متنوعة.
القدرة التفاعلية، والقدرة الفعالة قابلة للتعديل.
يدعم الاتصال المتوازي لأجهزة متعددة.
أعلى كثافة طاقة، وأقصى كفاءة تصل إلى 97.5%.
تصميم احتياطي لمصدر الطاقة المساعد.
خدمة ما بعد البيع
● دعم ما بعد البيع "7/24"
● 7 أيام في الأسبوع، 24 ساعة في اليوم: جاهزون للاستجابة وحل المشكلات على الفور - التزام شركة Sail Solar بخدمة ما بعد البيع الخالية من القلق.
● البريد الإلكتروني للخدمة: info@sailsolaress.com
عملية الخدمة
01
إرسال طلبات الخدمة
قم بإرسال طلبات الخدمة الخاصة بك في أي وقت عبر البريد الإلكتروني أو خدمة العملاء عبر الإنترنت أو تطبيق الهاتف المحمول.
02
الاستجابة السريعة
سيستجيب فريق الخدمة لدينا على الفور لطلباتك وسيتواصل معك بتفاصيل المشكلة.
03
الخدمة في الموقع أو الدعم عن بعد
اعتمادًا على طبيعة المشكلة، قم بتوفير الخدمة في الموقع أو الدعم الفني عن بعد.
04
حل المشاكل
هدفنا هو حل مشكلتك بشكل كامل خلال 24 ساعة.
05
المتابعة
بعد حل المشكلة، سيستمر فريقنا في المتابعة لضمان رضاك عن نتائج الخدمة.
ترك رسالة
مسح ضوئي إلى WeChat :
مسح ضوئي إلى WhatsApp :